M.C.I.
  • LANGUAGE

MCI LAM G

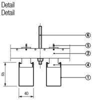
The MCI LAM G slatted ceiling is made from bent slat profiles with optional microperforation and is particularly suited for areas with an open construction style and increased revision requirements. The movable and tool-free removable slats provide convenient access to the ceiling cavity. This ceiling system offers variable design options with freely selectable grid spacings and slat lengths, creating a unique appearance. The ceiling cavity between the slats can be used for various installations.

System Features:

  • Bent slat profile with optional microperforation
  • Flexibility with freely selectable grid spacings and slat lengths
  • Various installations possible between the slats
  • Ceiling cavity is fully visible
  • Simple and quick installation
  • Easy, tool-free revision of individually movable slats
  • Powder-coated surface

Details / wall connection profiles

Extra features

Downloads